Your Browser is not longer supported

Please use Google Chrome, Mozilla Firefox or Microsoft Edge to view the page correctly
Loading...

{{viewport.spaceProperty.prod}}

Controlling tasks via queues

Tasks existing within an operating system can be in any of five different states:

  • TASK IN CONTROL

  • ACTIVE READY

  • ACTIVE NOT READY

  • INACTIVE READY

  • INACTIVE NOT READY

The number of tasks in the state TASK IN CONTROL can only be as great as the number of CPUs the server has.

The remaining 4 states are wait states. They can be divided into 2 groups, depending on whether they have already been allocated the right to use main memory (ACTIVE) or not (INACTIVE).

Tasks are assigned to the individual wait states with the aid of queues; for reasons of clarity the “NOT READY” states are further subdivided into events to show why the task is not executable.

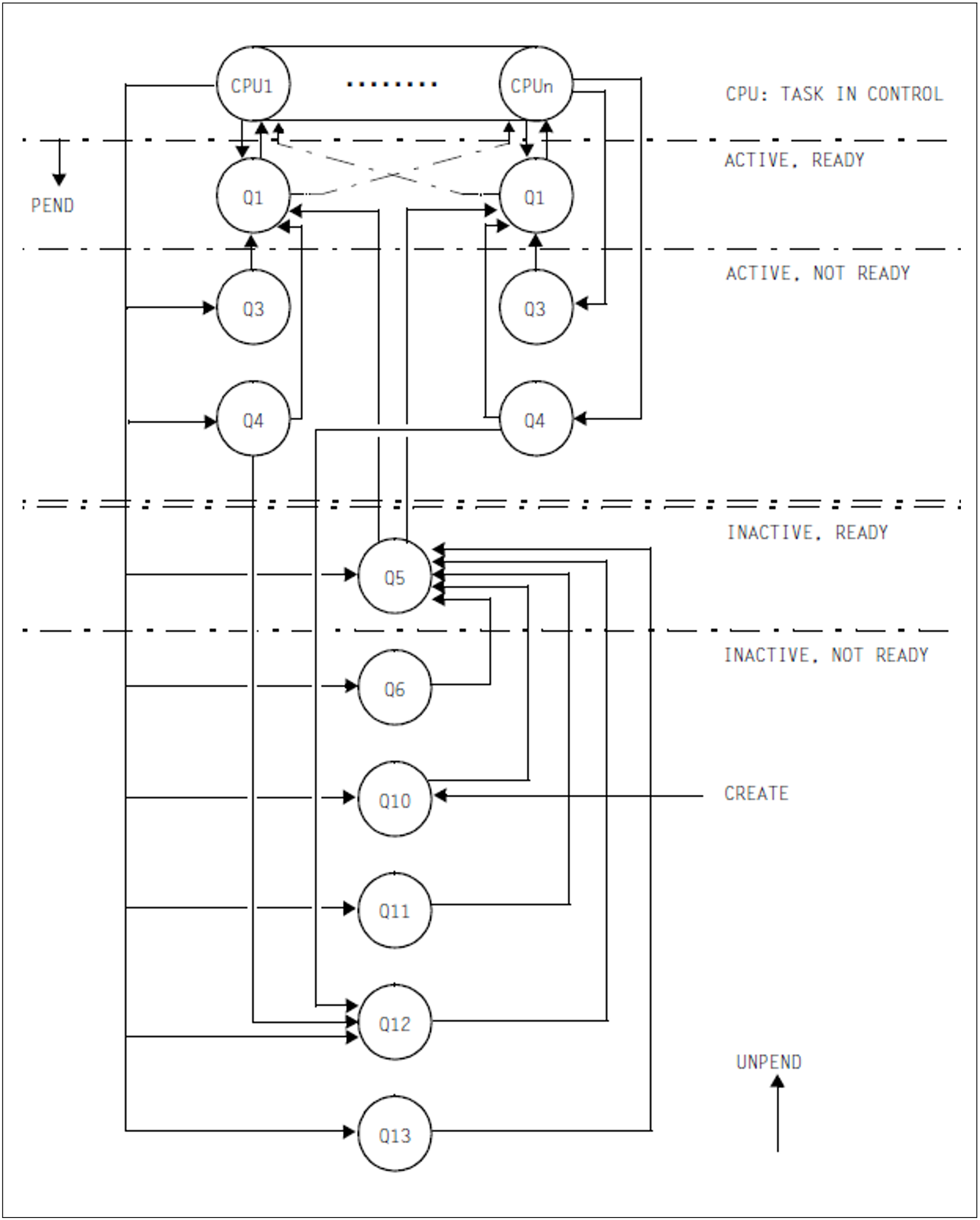
In order to improve the MP factor for multiprocessors, the queues for the active space of each CPU are provided separately (locally for each CPU) and the remaining queues are common to all CPUs (see figure 7).

The PEND/UNPEND routines are used to change the state of a task (characterized by moving from one queue to another):

  • UNPEND routines move the task from its present waiting position towards use of the CPU.

  • PEND routines put the task in a wait state due to an intervening event.

Figure 7: Queue transfers

Overview of the individual queues

Queues Q0, Q1, Q2, Q3 and Q4 are provided once for each CPU.

  • TASK IN CONTROL

    Q0

    Task occupies CPU

  • ACTIVE, READY

    Q1

    CPU queue
    contains active ready tasks waiting to use the CPU.

  • ACTIVE, NOT READY

    Q2

    Special case (not shown in the diagram): monitoring system tasks

    Q3Waiting for termination of paging I/O
    Q4Waiting for termination of DMS I/O (disk, tape)
    Waiting for bourse events (“short wait”)
    Waiting for termination of VPASS 0, VPASS MSEC=Y
  • INACTIVE, READY

    Q5

    Memory queue
    contains inactive ready tasks waiting for authorization to use main memory.
    This queue consists of 4 to 16 sub-queues corresponding to the following predefined categories:

    SYS
    TP
    DIALOG
    BATCH

    and up to 12 further categories which can be defined by systems administration.

    Q6

    PCS-Not-Admitted queue
    This queue contains inactive ready tasks which are not allowed to be activated by the Performance Control Subsystem.

  • INACTIVE, NOT READY

    Q10

    HOLD queue
    Contains newly generated tasks (call: $CREA)
    Waiting for peripheral devices (/SECURE-RESOURCE-ALLOCATION)
    Stopped by systems support (/HOLD-TASK)
    Tasks cannot be terminated (serious errors)

    Q11

    Inactive system tasks

    Q12

    Waiting for terminal input (WRTRD, RDATA)
    Waiting for bourse events (“long wait”)
    Waiting for an answer to a console message

    Q13Waiting for termination of PASS, VPASS calls
    Waiting for ITC event