The files which are to be processed by a specific HSMS statement are selected by means of its PATH-NAMES and EXCEPT-PATH-NAMES operands. In the HSMS statement COPY-NODE-SAVE-FILE, the corresponding operands are SELECT-PATHS and EXCEPT-PATHS. The selection can be further restricted via additional operands. Some HSMS statements offer the option of confirming the final selection of files via a screen mask.
Direct specification of file names
In all HSMS statements that are used to process node files, users can specify the path name of the node files which are to be selected. The path name may contain wildcards. Only a single path name may be specified in an HSMS statement. If it is necessary to specify two or more node files, the input should be made by means of a file (see "Specification of file names in a file or library elements").
Users can specify the path names of node files which are to be excluded from processing in the same way.
Nonprivileged users are permitted to specify only node files residing on the local BS2000-UFS. The HSMS administrator is authorized to specify any node files which reside on the local BS2000-UFS or remote workstation.
If files and directories of a specific hierarchical level are to be selected, the user can also specify whether the scope of the selection process is to be limited to the current file system or to include the entire file tree.
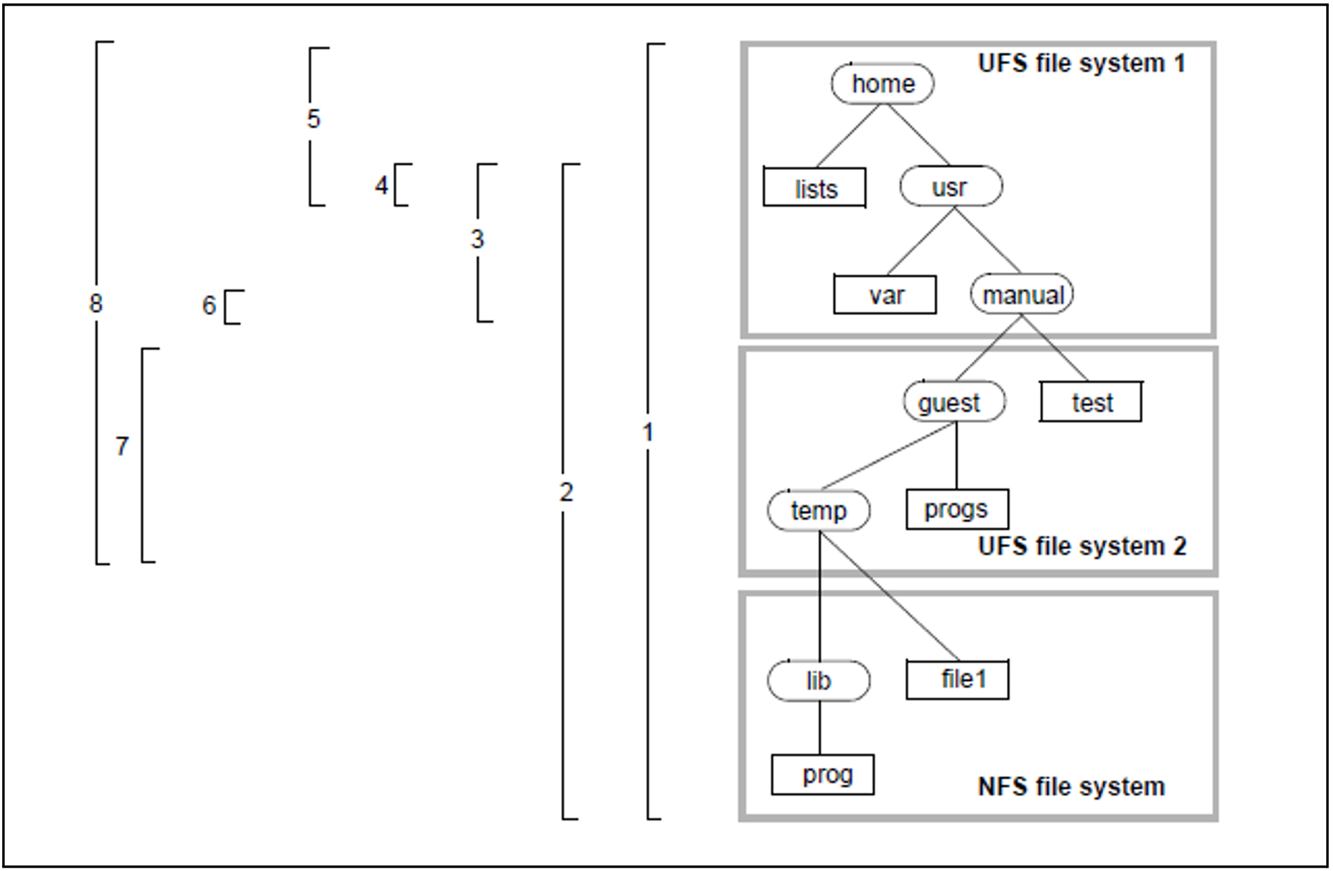
In order to obtain any of the numbered results shown in the diagram below, the user must make the specifications shown in the table following the diagram for the path name and the SELECTION-BOUNDARY operand.
Number | PATH-NAMES= | SELECTION-BOUNDARY= |
1 | /home or | *ALL-FILE-SYSTEMS |
/home* | *ALL-FILE-SYSTEMS | |
2 | /home/* | *ALL-FILE-SYSTEMS |
3 | /home/* | *CURRENT-FILE-SYSTEM |
4 | /home/* | *SPECIFIED-PATHS |
5 | /home or | *ALL-FILE-SYSTEMS |
/home* | Additional specification: | |
6 | /home/usr/* | *CURRENT-FILE-SYSTEM |
7 | /home/usr/manual/* | *ALL-FILE-SYSTEMS |
8 | /home | *ALL-LOCAL-FILE-SYSTEMS |
In the selection strategy presented above, the specification of *ALL-FILE-SYSTEMS is recommended for saving the files of all remote computers, in particular where more than one file system is mounted under the root directory (“/”).
The software product NFS is used to access node files on a passive workstation. Therefore, the names of remote files are extended internally in the following way:
/HSMS/<node-id>/<pathname>
The total length of any file name, including the internal extension, must not exceed 1023 characters. This restriction should be borne in mind particularly when restoring and renaming files. It may also have the effect of rendering inaccessible any remote node files whose names, including the prefix “/HSMS/<node-id>”, exceed the permissible length of 1023 characters, even though the user has specified a shorter file name (directory level, recursive selection, wildcards, ...).
Specification of file names in a file or library elements
It is also possible to pass the file names to HSMS in a BS2000 file or a library element of type S. These contain, record by record, the path names of the node files or node file groups to be processed.
This BS2000 file must be a SAM file with variable-length records, which can be created with, for example, the BS2000 editor EDT or with the HSMS statement SELECT-NODE-FILES. The procedure for creating a file with the HSMS statement SELECT-NODE-FILES is described in "Selection by means of the HSMS statement SELECT-NODE-FILES".
The path names can be specified in the file as follows
No. | Path | References | access rights | |
HSMS | Nonpriviliged | |||
1. | /<dir>/... | local BS2000-UFS | X | X |
2. | <node-id>:/... | specified workstation | X | – |
3. | / * ... | local BS2000-UFS | X | X |
4. | * : /... | all workstations | X | – |
The path names specified with FROM-FILE must not be prefixed with a hyphen to exclude them from processing.
The name of this file the library element must be specified in the relevant HSMS statement in the PATH-NAMES or SELECT-PATHS operand with *FROM-FILE(...) or *FROM-LIBRARY-ELEMENT(...):
PATH-NAMES/SELECT-PATHS=*FROM-FILE(LIST-FILE-NAME=<file name>) or *FROM-LIBRARY-ELEMENT(LIBRARY=<library>,ELEMENT=<element>)
The paths are processed in the sequence in which they are entered in the file specified in *FROM-FILE. As a result, users can improve performance when backing up node files by using parallel processing (either by activating multiplexing operation or by using multiple drives).
Here is an example:
If a network consists of a number of separate, independent subnets, it may be useful to mix workstations from the various subnets in order to separate the data paths that are used by the ARCHIVE subtasks.
In concrete terms, we could find the following situation: workstations W1 and W2 belong to subnet S1 which is connected to server S via HNC1. Workstations W3 and W4 belong to a subnet S2 which is also connected to server S but via HNC2. The four workstations are to be backed up using two ARCHIVE subtasks (with or without multiplexing operation).
If the workstations are entered in the file in the order W1, W2, W3, W4 then the two ARCHIVE subtasks will simultaneously be working with the same subnet, which is not the perfect solution. The better alternative – as far as the separation of the data paths is concerned – is to specify the sequence W1, W3, W2, W4. The same considerations are also applicable at path level (multiple paths per workstation, multiple workstations).
The sequence in which the workstations are entered in the file specified in *FROM-FILE is therefore very important. The structure of this file should therefore be carefully considered. Furthermore, the paths should be chosen in a way that balances the data volumes.
See also section "Multiplexing operation" in "Parallel and serial processing in ARCHIVE".
